Priemyselný VA meter pre 250A 2-500V zabudovaný

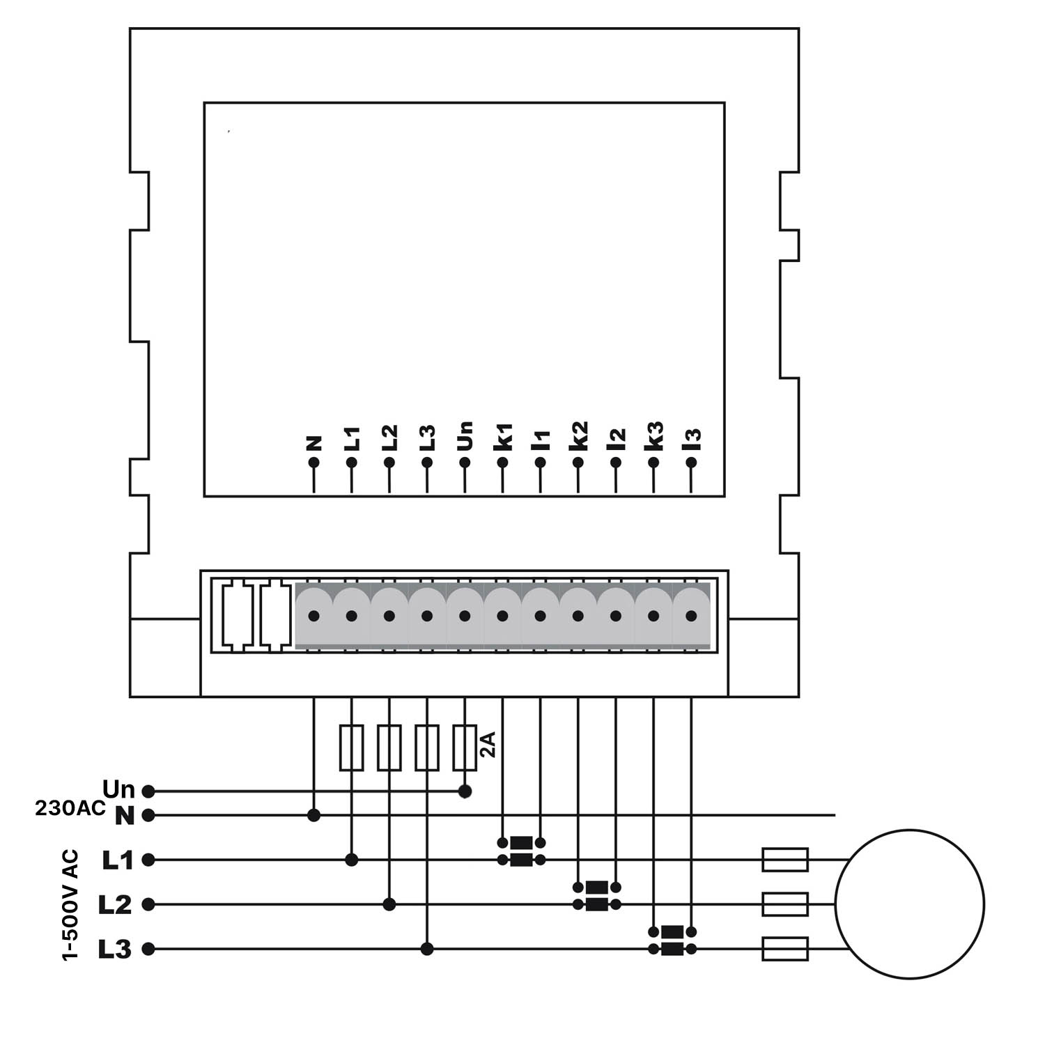
Trojfázový panelový merač VA 10-250A/1-500V AC na meranie prúdu, napätia a kontrolu fázových spojení v trojfázových zariadeniach, strojoch alebo rozvodoch striedavého prúdu.

Panelový merač VA na meranie trojfázového rozvodu pokračovanie textu

Kód produktu:

104256

Varianty:

skladom (6-25 ks)Pozajtra 20.03.2026 môže byť u Vás
Priemyselný VA meter pre 250A 2-500V zabudovaný 104256 https://www.hotair.sk/images/produkty/2/4483/prumyslovy-va-metr-pro-vestavbu-250a-2-500v_1609846696.jpg
Cena: 1599.00
Dostupnost: skladom 6-25 ks
Cena s DPH Cena bez DPH
69,83€ 56,77€
ks
Trojfázový panelový merač VA 10-250A/1-500V AC na meranie prúdu, napätia a kontrolu fázových spojení v trojfázových zariadeniach, strojoch alebo rozvodoch striedavého prúdu.

Panelový merač VA na meranie trojfázového rozvodu striedavého prúdu 1-500 V s meraním prúdu v rozsahu 10-250 A na každej jednotlivej fáze. Multimeter je určený na zabudovanie do panela alebo stroja, je vybavený svorkovnicou na pripojenie prúdových cievok, ktoré merajú každú fázu (súčasťou sú 3 cievky) cievky sú zaplombované a vodič sa musí cez ne pretiahnuť, vnútorný priemer cievky je 30 mm. Panel má dva rady červených LED displejov, prvý rad zobrazuje napätie/frekvenciu alebo správne zapojenie sledu fáz (funkcie sa dajú prepínať tlačidlami), druhý rad slúži na zobrazenie odoberaného prúdu.

Multimeter je určený na montáž na panel. VxŠxH) Prístroj musí byť napájaný striedavým napätím 140-270 V. Prúdová cievka je pripojená k dvojitému vedeniu s dĺžkou približne 60 cm, ktoré je možné v prípade potreby upraviť dlhším vodičom.

Obsah balenia: trojfázový ampérmeter, 3ks meracích cievok.
Parametre
Napájacie napätie 140-270 V/AC
Napájací vstup 6VA
Rozsah merania prúdu 10-250A
Rozlíšenie 1A
Presnosť ±%1
Rozsah napätia 1 - 500 V AC
Displej Červená LED dióda
Vnútorný rozmer meracej cievky 30 mm
Vonkajší rozmer meracej cievky 54 mm
Pripojenie drôtu svorkovnica
Rozmery pre inštaláciu 91x91x45mm (VxŠxH)
Rozmery 97x97x52mm (VxŠxH)
Hmotnosť 325g
Hmotnosť balenia [kg]:0.56 kg
Viac parametrov
Napájacie napätie 140-270 V/AC
Napájací vstup 6VA
Rozsah merania prúdu 10-250A
Rozlíšenie 1A
Presnosť ±%1
Rozsah napätia 1 - 500 V AC
Displej Červená LED dióda
Vnútorný rozmer meracej cievky 30 mm
Vonkajší rozmer meracej cievky 54 mm
Pripojenie drôtu svorkovnica
Rozmery pre inštaláciu 91x91x45mm (VxŠxH)
Rozmery 97x97x52mm (VxŠxH)
Hmotnosť 325g
Hmotnosť balenia [kg]:0.56 kg
Digitálny panelový merač striedavého prúdu a napätia (voltmeter 60-500V AC + ampérmeter 0-100A AC) na inštaláciu do panelových alebo sieťových či laboratórnych zariadení. VA merač s predným štvorcovým panelom s rozmermi 28x28mm zobrazuje merané napätie 60-500V AC a prúd 0-100A AC na dvojriadkovom LED displeji žltej farby s výškou znaku 7 mm. Merač nepotrebuje samostatný napájací zdroj, je napájaný priamo zo svoriek na meranie napätia. Skrutkovacia svorka na zadnej strane merača VA slúži na pripojenie vodičov meraného napätia. Na meranie prúdu sa k panelovému meraču pripojí prúdový transformátor s vnútorným otvorom s priemerom 15 mm, cez otvor transformátora sa prevlečie izolovaný fázový vodič na meranie prietoku striedavého prúdu. Transformátor je pripojený k 30 cm dlhému vodiču s konektorom v strede. Na pripevnenie V/A merača k panelu slúži plastová matica s priemerom 28 mm, ktorá zaisťuje celý merač z vnútornej strany prístrojovej dosky, otvor na montáž voltmetra je 22 mm.
14,50€ / ks 11,79€ bez DPH
skladomviac ako 25 ks Pozajtra 20.03.2026 môže byť u Vás
Kód:
103757
Digitálny ampérmeter 0-100A na meranie striedavého prúdu, určený na montáž do panelu alebo na inštaláciu do sieťových alebo laboratórnych zariadení. Ampérmeter so štvorcovým čelným panelom s rozmermi 28 × 28 mm zobrazuje meraný prúd v rozsahu 0-100 A na jednoriadkovom zelenom LED displeji s výškou znaku 12 mm. Ampérmeter je napájaný zo siete 230 V, na pripojenie napájania slúži skrutkovacia svorka na zadnej strane ampérmetra. Na meranie prúdu sa k panelovému meraču pripojí prúdový transformátor s vnútorným otvorom s priemerom 15 mm, otvorom transformátora sa prevlečie izolovaný fázový vodič na meranie prietoku striedavého prúdu. Transformátor je pripojený k 30 cm dlhému vodiču s konektorom v strede. Na pripevnenie voltmetra k panelu slúži plastová matica s priemerom 28 mm, ktorá zaisťuje celý merací prístroj z vnútornej strany prístrojového panelu, otvor na montáž voltmetra je 22 mm.
11,82€ / ks 9,61€ bez DPH
skladomviac ako 25 ks Pozajtra 20.03.2026 môže byť u Vás
Kód:
103756
Multifunkčný merač V/A na DIN lištu s meraním striedavého napätia 80-300 V, prúdu 0-100 A, frekvencie 45-65 Hz a spotreby energie a účinníka. Modul je určený na montáž na lištu DIN do rozvodných skríň v domácnostiach, dielňach, závodoch alebo laboratóriách. Pripojený modul zobrazuje na prehľadnom displeji všetky dôležité informácie o napájaní: napätie, prúd, aktuálnu a celkovú spotrebu, frekvenciu a účinník. K modulu je pripojená meracia cievka, ktorá meria prúd do 100 A indukčne (bezkontaktne). Cievku nie je možné otvoriť, a preto je potrebné prevliecť kábel cez cievku. Na prednom paneli modulu sa nachádzajú tri samostatné podsvietené displeje s celkovou veľkosťou 36x32mm, displeje zobrazujú aktuálne hodnoty prúdu, napätia a spotreby (A,V,W), po krátkom stlačení tlačidla pod displejom sa zobrazené hodnoty prepnú na celkovú nameranú spotrebu, frekvenciu sieťového napätia a Účinník. (Kwh, HZ a cos φ). Modul si pamätá celkovú spotrebu aj po odpojení napájania, dlhým stlačením tlačidla pod displejom sa celková spotreba vynuluje. Modul je napájaný priamo zo siete 230 V, vstupné napätie je realizované spoločnou skrutkovou svorkou. Obsah balenia: merač
53,71€ 48,34€ / ks 39,30€ bez DPH
skladom Pozajtra 20.03.2026 môže byť u Vás
Kód:
103695
Tovar v akcii
Multifunkčný panelový merač so striedavým napätím 80-260 V, meraním prúdu 0-100 A pomocou otvoriteľného prúdového transformátora, frekvenciou 45-65 Hz a spotrebou energie a účinníkom. Modul je vhodný na inštaláciu do panelov alebo stavebných skríň v domácich dielňach, školských laboratóriách a servisných strediskách. Pripojený modul zobrazuje na prehľadnom displeji všetky dôležité informácie o napájaní: napätie, prúd, prúdovú a celkovú spotrebu, frekvenciu a účinník. S modulom sa dodáva prúdový rozpojovací transformátor, ktorý sa postará o meranie prúdu až do 100 A! Cievka meria prúd indukčne (bezkontaktne) stačí ju pripojiť k meraciemu modulu a "zacvaknúť" na obvod, ktorý chceme merať. Cievku možno otvoriť a nacvaknúť na spotrebič alebo už nainštalované elektrické zariadenie. obvode bez toho, aby bolo potrebné obvod rozoberať. Na prednom paneli modulu sa nachádza veľký podsvietený displej s rozmermi 50x30mm, na displeji je možné zobraziť všetky merané hodnoty naraz: napätie, prúd, prúdový odber W, celkový odber W, frekvenciu a PF (účinník). Vedľa displeja sa nachádza len jedno multifunkčné tlačidlo: krátke stlačenie - zapnutie/vypnutie podsvietenia (stav podsvietenia sa pamätá aj po odpojení od napájania), 3 s stlačenie: funkcia alarmu - slúži na nastavenie výkonu vo wattoch, pri prekročení bliká podsvietenie a hodnota výkonu, 5 s stlačenie: nasleduje krátke potvrdzujúce stlačenie - vynulovanie počítadla celkovej spotreby. Na zadnej strane modulu sa nachádza svorkovnica pre napájanie modulu a vstup meracej cievky. Modul je napájaný priamo z elektrickej siete. Po odpojení od siete si modul pamätá nastavenia a celkovú spotrebu energie. Schéma zapojenia modulu sa nachádza v galérii produktov. Obsah balenia.
42,97€ / ks 34,93€ bez DPH
skladomviac ako 25 ks Pozajtra 20.03.2026 môže byť u Vás
Kód:
103669
Sme tu s vami už 20 rokov
Sme tu s vami už 20 rokov

Sme tu s vami už 20 rokov

Za tú dobu sme ušli pekný kus cesty. Ak vás zaujíma náš príbeh, čítajte viac. Ďakujeme za vašu priazeň!